当前位置: 首页 >> 安全知识

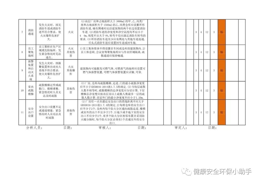
安全检查表分析(SCL+LS)评价记录 | 全套

链接: https://mp.weixin.qq.com/s?__biz=MjM5NjE2MDAyNA==&mid=2660415488&idx=2&sn=4d2445de883fd484cc4cb453161f0f23&chksm=bd8b6f778afce661d402b4f343a11a93694028dc8364dbfc0377b3e851db91fea32396f31d53&mpshare=1&scene=23&srcid=#rd



Copyright © 马鞍山市安全生产协会 All Rights Reserved. 皖ICP备2025104696号-1
最佳使用效果1024*768以上分辨率,建议使用微软公司IE6.0及以上  您是第 27005 位访客 今日访问量:71 当前在线人数:4