当前位置: 首页 >> 安全知识

标准解读 | SH/T3081-2019《石油化工仪表接地设计规范》

标准解读 | SH/T3081-2019《石油化工仪表接地设计规范》 

    SH/T 3081-2019《石油化工仪表接地设计规范》,2020年1月1日起实施。为了帮助圈友加深对规范的理解,特邀资深圈友针对新旧规范,进行了详细的解读,那么究竟SH/T 3081-2019有哪些重大变化呢?让我们继续往下阅读。

    为了更加规范石油化工仪表接地设计,根据工信厅科[2015]115号文要求,规范编制组结合规范执行和实际工程的实践经验,参考有关国际标准和国内、外标准,在广泛征求意见的基础上,针对SH/T 3081-2003 《石油化工仪表接地设计规范》进行了修订,SH/T 3081-2019《石油化工仪表接地设计规范》,2020年1月1日起实施。

工标网截图

PART  01 名称和起草人

时隔近16年,重磅出台,主要起草人:叶向东,一直致力于自动化仪表行业发展,是本标准两个版本的主编人。

PART  02 规范内容

变化巨大,大思路不变,但很多细节可以说是颠覆性的变化。

PART  03 适用范围

对改造项目提出更高要求。

PART  04 接地分类

新规范,对名词定义更加清晰。

PART  05 保护接地位置

保护接地不受单点接地限制,对于体积和长度较大的设备还需要多点接地,和网型结构相呼应。

PART  06 保护接地方法

新规范实施更简单。

PART  07 工作接地 

新规范中把工作接地和屏蔽接地分开。

PART  08 工作接地方法

信号回路中应避免产生多点接地。

PART  09 屏蔽接地

新增屏蔽接地的四种方式,单层屏蔽电缆、单层屏蔽铠装电缆、分屏总屏电缆、分屏总屏铠装电缆,接地方式又分为内屏蔽层、外屏蔽层、铠装层及金属保护管。

附:屏蔽接地方式


PART 10 本质安全系统接地

老规范是“可”,新规范为“应”。

附:本质安全系统接地示意图对比

PART  11 防静电接地

条文解释中特殊说明了,仪表及控制系统的防静电接地比较简单,很多相应的规范、资料规定用于静电接地的电阻为100Ω。

PART  12 防雷接地

网型结构是新规范的一个重大变化。

PART  13 接地线及接地材料的要求

将接地线、接地干线、接地总干线说法更加明确。

PART  14 标准变化、接地电阻值的要求

定义拿到术语中,关于要求基本没变化。

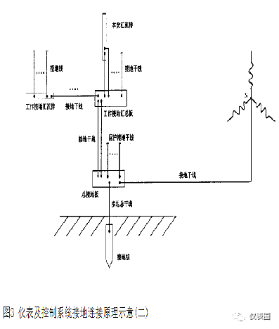
PART  15 仪表与控制系统接地比较

细节调整更多。

仪表与控制系统接地比较(2003推荐示意图)

1 接地装置由接地极(接地体)、接地总干线(接地总线)、总接地板(总接地端子、接地母板)组成。系统简单的情况下,保护接地汇总板可与总接地板合用。2 接地系统由接地装置、工作接地汇总板、保护接地汇总板、接地干线、各类接地汇流排等组成。3 仪表及控制系统的工作接地、保护接地、防雷接地应与电气的低压配电系统合用接地装置。4 接地装置的设计应按电气的有关标准规范和方法进行。

仪表与控制系统接地比较(2019推荐分支集中接地结构示意图)

1 仪表及控制系统的接地系统可采用分支集中接地结构;宜设置接地汇流排、接地汇总板、总接地板等用于多台仪表及设备的接地。2 对于接地仪表比较多,一个汇流排放不下的场合,可根据需要设置多个接地汇流排。3 对于接地仪表比较少,一个汇流排可以容得下的场合,可将保护接地汇总板与总接地汇总板合并,对于工作接地线比较少的场合,可将工作接地汇总板与总接地板合并,对于保护接地线和工作接地线都比较少的场合可只设置总接地板,将保护接地线和工作接地线都接到总接地板。4 分支集中接地结构的室内接地排、总结地板应采用两条或多条接地干线经不同路径的接地方式接到室外接地装置。5 总板和总接地板,应考虑较短的接地干线路径,各机柜的接地干线应分别单独接到对应的接地汇总板。

仪表与控制系统接地比较(2019推荐机柜与网型结构接地示意图)


1 统一了仪表接地系统用于防雷功能的结构。2 仪表及控制系统的接地系统可采用网型结构,对于需要防雷功能的仪表和接地系统,应采用网型结构3 采用网型结构的方案应在机柜支架上、操作台底部敷设接地连接导体作为网型接地排,连接长局部接地网,网型接地排之间的连接应采用焊接方式。4 网型结构的室内接地网应采用至少4条的接地干线经不同路径、不同方向的接地方式接到室外接地装置

仪表与控制系统接地比较(2019推荐网型结构与组合接地示意图)

根据功能需要现场施工条件可采用组合结构,由分支集中部分和网型部分组合而成。

来源:仪表圈        中国化学品安全协会        编辑:筑安


链接:标准解读 | SH/T3081-2019《石油化工仪表接地设计规范》  https://mp.weixin.qq.com/s?__biz=MzA5NDA4Njg4NQ==&mid=2652489312&idx=1&sn=84d5d75368da98d54b8bdfcb1bc57584&chksm=8bbe95eabcc91cfcaacf37517cbf0a8e40a700ba760df1e2fbff55b12464b766c3932ee58569&mpshare=1&scene=23&srcid=&sharer_sharetime=1583541972202&sharer_shareid=d9fdcc60a46951fed6d7a0bbdd004814#rd


Copyright © 马鞍山市安全生产协会 All Rights Reserved. 皖ICP备2025104696号-1
最佳使用效果1024*768以上分辨率,建议使用微软公司IE6.0及以上  您是第 27005 位访客 今日访问量:71 当前在线人数:4