当前位置: 首页 >> 安全知识

最新!国家危险废物名录(2021年版)发布,明年1月施行,附官方解读

最新!国家危险废物名录(2021年版)发布,明年1月施行,附官方解读

中国化学品安全协会


国家危险废物名录(2021年版)

部令 第15号

  《国家危险废物名录(2021年版)》已于2020年11月5日经生态环境部部务会议审议通过,现予公布,自2021年1月1日起施行。

  生态环境部部长 黄润秋

  国家发展改革委主任 何立峰

  公安部部长 赵克志

  交通运输部部长 李小鹏

  国家卫生健康委主任 马晓伟

  2020年11月25日






生态环境部固体废物与化学品司有关负责人就《国家危险废物名录(2021年版)》有关问题答记者问

近日,生态环境部、国家发展改革委、公安部、交通运输部和国家卫生健康委修订发布了《国家危险废物名录(2021年版)》(以下简称《名录》)。针对《名录》修订情况,生态环境部固体废物与化学品司有关负责人回答了记者的提问。

一、《名录》修订的背景和意义是什么?

答:《名录》是危险废物环境管理的技术基础和关键依据。《名录》自1998年首次发布实施以来,历经2008年和2016年2次修订,逐步完善,对我国危险废物环境管理发挥了积极作用。但2016年版《名录》已经难以有效支撑和指导当前我国危险废物环境管理工作。

为落实新修订的《中华人民共和国固体废物污染环境防治法》(以下简称《固废法》)关于“国家危险废物名录应当动态修订”等规定,我部会同国家发展改革委、公安部、交通运输部和国家卫生健康委对《名录》进行了修订。

《名录》修订工作是贯彻落实习近平总书记关于精准治污、科学治污、依法治污的重要指示精神的具体行动,也是落实新修订的《固废法》的具体举措,对加强危险废物污染防治、保障人民群众身体健康具有重要意义。

二、本次《名录》修订遵循的主要原则是什么?

答:本次《名录》修订坚持三个主要原则:

一是坚持问题导向。重点针对2016年版《名录》实施过程环境管理工作中反映问题较为集中的废物进行修订。例如铅锌冶炼废物、煤焦化废物等。

二是坚持精准治污。通过细化类别的方式,确保列入《名录》的危险废物的准确性,推动危险废物精细化管理。例如,从《名录》中排除了脱墨渣等不具有危险特性的废物。

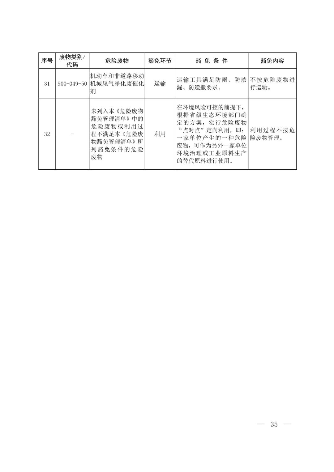
三是坚持风险管控。按照《固废法》关于“实施分级分类管理”的规定,在环境风险可控前提下,《名录》新增对一批危险废物在特定环节满足相关条件时实施豁免管理。

三、本次《名录》修订的主要内容有哪些?

答:《名录》由正文、附表和附录三部分构成。其中,正文规定原则性要求,附表规定具体危险废物种类、名称和危险特性等,附录规定危险废物豁免管理要求。本次修订对三部分均进行了修改和完善:

正文部分:增加了“第七条 本名录根据实际情况实行动态调整”的内容,删除了2016年版《名录》中第三条和第四条规定。

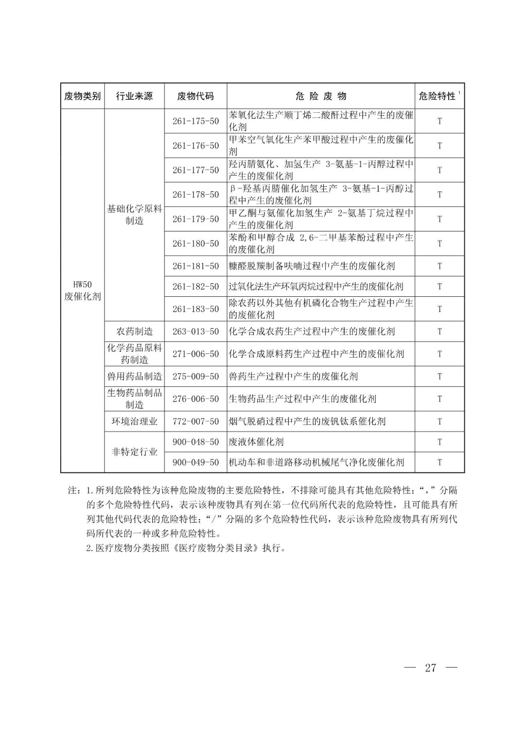
附表部分:主要对部分危险废物类别进行了增减、合并以及表述的修改。《名录》共计列入467种危险废物,较2016年版《名录》减少了12种。

附录部分:新增豁免16个种类危险废物,豁免的危险废物共计达到32个种类。

四、本次《名录》修订删除正文中医疗废物和废弃危险化学品相关条款(第三条和第四条)的主要考虑是什么?

答:本次修订并非简单删除《名录》正文中医疗废物和废弃危险化学品相关条款,而是将有关内容进一步完善和细化后纳入《名录》附表中,更加科学和严谨。

关于医疗废物,《固废法》规定“医疗废物按照国家危险废物名录管理”。《名录》不再简单规定“医疗废物属于危险废物”,而是在《名录》附表中列出医疗废物有关种类,且规定“医疗废物分类按照《医疗废物分类目录》执行”。

关于废弃危险化学品,一是进一步明确了纳入危险废物环境管理的废弃危险化学品的范围。《危险化学品目录》中危险化学品并不是都具有环境危害特性,废弃危险化学品不能简单等同于危险废物,例如“液氧”“液氮”等仅具有“加压气体”物理危险性的危险化学品。

二是进一步明确了废弃危险化学品纳入危险废物环境管理的要求。有些易燃易爆的危险化学品废弃后,其危险化学品属性并没有改变;危险化学品是否废弃,监管部门也难以界定。因此,《名录》针对废弃危险化学品特别提出“被所有者申报废弃”,即危险化学品所有者应该向应急管理部门和生态环境部门申报废弃。响水“3·21”事故就是由于企业既没有按照国家有关标准将废弃危险化学品稳定化处理后纳入危险废物环境管理,也没有向应急管理部门和生态环境部门申报,逃避监管,酿成重大事故。

五、新《名录》对疫情期间医疗废物做了哪些规定?

答:本次《名录》修订充分吸收新冠肺炎疫情期间医疗废物管理工作经验,在风险可控前提下,完善了疫情医疗废物豁免管理规定,规范了疫情期间医疗废物应急处置管理。

一是感染性废物、损伤性废物和病理性废物(人体器官除外),按照《医疗废物高温蒸汽集中处理工程技术规范(试行)》等要求进行处理后,新增加对运输过程实施豁免管理。

二是重大传染病疫情期间产生的医疗废物,按事发地的县级以上人民政府确定的处置方案进行运输和处置,对运输和处置过程实施豁免管理。

六、“点对点”定向利用豁免是出于何种考虑?如何操作实施?

答:豁免管理制度在2016年版《名录》中首次提出后,对促进危险废物利用发挥了积极作用。但危险废物种类繁多,利用方式多样,难以逐一作出规定,需要各地结合实际实行更灵活的利用豁免管理,进一步推动危险废物利用。因此,《名录》特别提出“在环境风险可控的前提下,根据省级生态环境部门确定的方案,实行危险废物‘点对点’定向利用”。

我部2019年印发实施《关于提升危险废物环境监管能力、利用处置能力和环境风险防范能力的指导意见》后,山东、江苏等地已经探索开展了危险废物“点对点”定向利用豁免管理相关工作,效果良好。

下一步,在“点对点”定向利用豁免管理实施过程中,各省级生态环境部门应结合本地实际制定实施细则,组织开展相关工作。

七、新《名录》实施后,地方生态环境部门和企业需要做哪些衔接工作?

答:本次《名录》修订新增减了部分危险废物以及部分废物代码发生了变化,地方生态环境部门和相关企业需要做好《名录》实施与危险废物管理计划、转移联单、许可证等环境管理制度衔接工作。例如:

(1)相关企业产生的危险废物种类或代码等发生变化的,应及时变更危险废物管理计划和排污许可证等信息。

(2)危险废物利用处置许可证中相关危险废物种类和代码等发生变化的,持证企业和地方生态环境部门应及时作出变更。

(3)申请危险废物跨省转移的危险废物种类或代码等发生变化的,相关企业应对转移计划进行变更并重新提交转移申请。

八、请介绍一下本次《名录》修订的环境、社会和经济效益?

答:在环境风险可控的前提下,本次《名录》修订在促进危险废物利用、降低企业危险废物管理和处置成本等方面进一步发力,是支持做好“六稳”工作、落实“六保”任务的具体举措。

环境效益方面,修正了有关废物界定不清晰或描述不准确等问题,有利于提高我国危险废物精细化环境管理水平和环境风险防范能力。

社会效益方面,对社会广泛关注的医疗废物、铝灰等进行了修订,有效缓解社会普遍反映的相关危险废物利用处置途径不畅问题,进一步落实了“放管服”改革要求。

经济效益方面,精确表述有关危险废物,避免没有危险特性的废物被纳入《名录》;新增豁免一批危险废物,促进危险废物利用,进一步降低企业危险废物管理和处置成本。


来源:生态环境部


中国化学品安全协会

编辑:安康

链接:最新!国家危险废物名录(2021年版)发布,明年1月施行,附官方解读  https://mp.weixin.qq.com/s?__biz=MzA5NDA4Njg4NQ==&mid=2652513051&idx=1&sn=96093e9f25aac4df9cda6c2e04ef9871&chksm=8bbd7091bccaf9877233c1560c115f1a0960a5a66a528d5af02258c27b7e4914f71e19042d7d&scene=126&sessionid=1606698438&key=136a429f84a1168131a00197866b82505e39aed73bb2c82f87fa012cf0a63e9b15fc24ae350cc5aebdfac4b7d24995ea7683fe4869138b92b6faa0a1504ede9293e7c2d24e4d3a803178dccc3695e3efac480f88637c5810d1a0d0d7f8756472724418644296fc1169ae1dc0ad1c0f445f12127b37ae97e6fd4ca50d19e087b8&ascene=1&uin=MjYyNjg2MDY2MQ%3D%3D&devicetype=Windows+7+x64&version=63000039&lang=zh_CN&exportkey=AXMCLe0dO%2F8m1CMGJbh%2FEuA%3D&pass_ticket=rw5%2FHzDOQ2ZblCD3%2BMLlKVF9cHJsyzSHM6Xp25jHjThwBmtJLsGTC8MgiVY4rgPn&wx_header=0


Copyright © 马鞍山市安全生产协会 All Rights Reserved. 皖ICP备2025104696号-1
最佳使用效果1024*768以上分辨率,建议使用微软公司IE6.0及以上  您是第 27005 位访客 今日访问量:71 当前在线人数:4